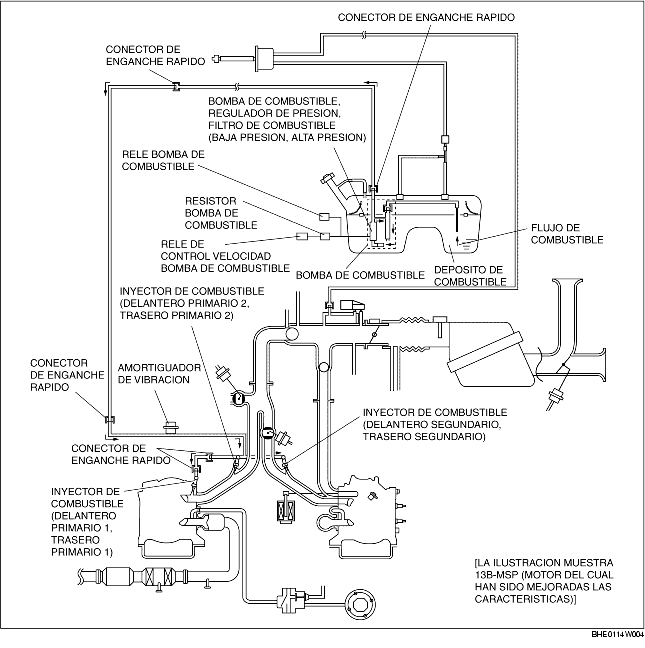
DIAGRAMA SISTEMA DE ALIMENTACION


BHE011401006W02