INSPECTION DE RELAIS


BHE092167730W02

Type de relais

Type de borne

Nom de pièce

4 bornes
Type A
• Relais principal
• Relais TNS
• Relais ACC
• Relais de feux antibrouillard avant
• Relais de système de commandes électriques de conduite automobile
• Relais de ventilateur de refroidissement N° 1
• Relais de ventilateur de refroidissement N° 2
• Relais de climatisation
• Relais de soufflerie
• Relais du dégivreur de vitre arrière
• Relais de pompe à carburant
• Relais de commande de vitesse de pompe à carburant
• Relais d'avertisseur sonore
• Relais de dispositif d'ouverture de porte de coffre
• Relais de chauffage de siège
• Relais de feux antibrouillards arrière
Type B
• Relais d'allumage
• Relais de démarreur
• Relais de phare
• Relais de pompe à AIR
5 bornes
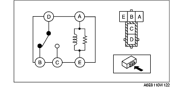
Type C
Relais de ventilateur de refroidissement n° 3

Type A

1. Contrôler la continuité entre les bornes de relais.

• Si les valeurs mesurées ne correspondent pas aux spécifications du tableau, remplacer le relais.

Type B

1. Contrôler la continuité entre les bornes de relais.

• Si les valeurs mesurées ne correspondent pas aux spécifications du tableau, remplacer le relais.

Type C

1. Contrôler la continuité entre les bornes de relais.

• Si les valeurs mesurées ne correspondent pas aux spécifications du tableau, remplacer le relais.