RIMOZIONE/INSTALLAZIONE ATTUATORE MISCELATORE ARIA


BHE074061415W01

1. Scollegare il cavo negativo della batteria.

2. Rimuovere l'amplificatore A/C.

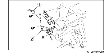
3. Rimuovere nell'ordine indicato in tabella.

1
Connettore attuatore miscelatore aria
2
Attuatore miscelatore aria

4. Installare in ordine inverso rispetto alla rimozione.