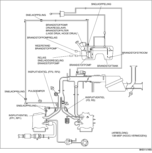
OVERZICHT BRANDSTOFSYSTEEM


BHE011401006W02